所属分类: 气液滑环
浏览次数: 次
发布时间: 2025-01-08 20:26:43

东莞市瑞泓德精密工业有限公司
手机:13622631318
地址:广东省东莞市大岭山镇大岭山湖畔南一街11号1栋301室

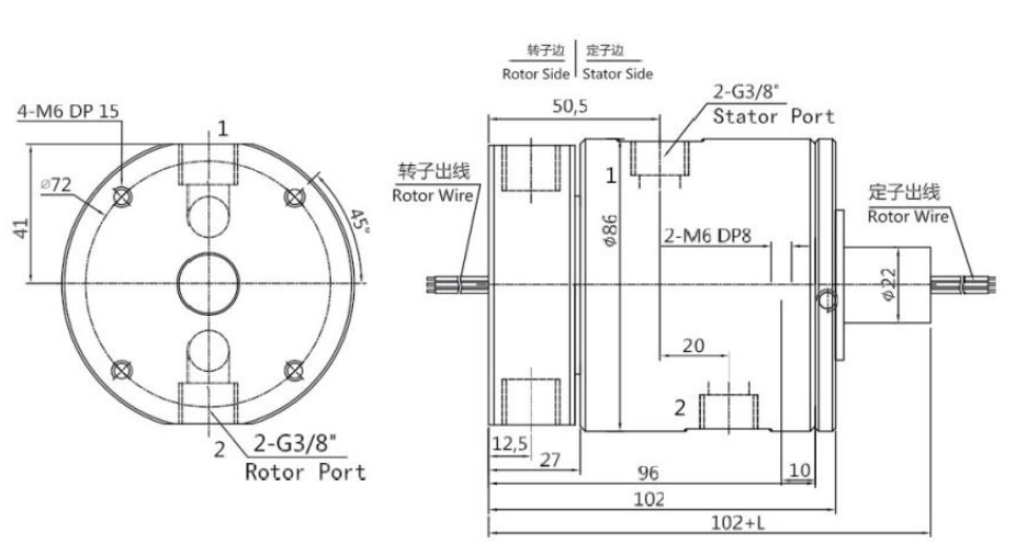
RQ02003系列
2进2出气+电旋转接头,G3/8" 接头,10~12mm 大小管径
● 可以混合功率动力线、信号线、以太网、USB、工业总线、 控制线、电磁阀、感应线等;
● 标准为法兰安装形式,可定制空心轴安装;
● 能通过的介质有:压缩空气、氢气、氮气、化学混合气 体、蒸汽、冷却水、热水、热油、石油、硫酸、饮料等。
订购型号说明

标准型号选型表
| 型 号 | 气管数量 | 接口尺寸 | 可适应气管 |
| RQ02003 | 2进2出 | G3/8 | 10~12mm |

标准型号选型表
| 型 号 | 气管数量 | 接口尺寸 | 可适应气管 | 信号(2A)路数 | L长度(mm) |
| RQ02003-06 | 2进2出 | G3/8" | 10~12mm | 6 | 14 |
| RQ02003-12 | 2进2出 | G3/8" | 10~12mm | 12 | 21 |
| RQ02003-24S | 2进2出 | G3/8" | 10~12mm | 24 | 35 |
| RQ02003-36S | 2进2出 | G3/8" | 10~12mm | 36 | 52.3 |
| RQ02003-56S | 2进2出 | G3/8" | 10~12mm | 56 | 82 |

标准型号选型表
| 型 号 | 气管数量 | 接口尺寸 | 可适应气管 | 电流(10A)路数 | 信号(5A)路数 | L长度(mm) |
| RQ02003-0605 | 2进2出 | G3/8" | 10~12mm | 0 | 6 | 48 |
| RQ02003-0610 | 2进2出 | G3/8" | 10~12mm | 6 | 0 | 48 |
| RQ02003-1205 | 2进2出 | G3/8 | 10~12mm | 0 | 12 | 72 |
| RQ02003-0610-0605 | 2进2出 | G3/8" | 10~12mm | 6 | 6 | 72 |
| RQ02003-1210 | 2进2出 | G3/8" | 10~12mm | 12 | 0 | 72 |
| RQ02003-0610-1205 | 2进2出 | G3/8" | 10~12mm | 6 | 12 | 96 |
| RQ02003-1210-0605 | 2进2出 | G3/8" | 10~12mm | 12 | 6 | 96 |
| RQ02003-1805 | 2进2出 | G3/8" | 10~12mm | 0 | 18 | 96 |
| RQ02003-1810 | 2进2出 | G3/8" | 10~12mm | 18 | 0 | 96 |
| RQ02003-0610-1805 | 2进2出 | G3/8" | 10~12mm | 6 | 18 | 120 |
| RQ02003-2405 | 2进2出 | G3/8" | 10~12mm | 0 | 24 | 120 |
| RQ02003-2410 | 2进2出 | G3/8" | 10~12mm | 24 | 0 | 120 |
| RQ02003-3605 | 2进2出 | G3/8" | 10~12mm | 0 | 36 | 168 |
| RQ02003-1210-2405 | 2进2出 | G3/8" | 10~12mm | 12 | 24 | 168 |
| RQ02003-3610 | 2进2出 | G3/8" | 10~12mm | 36 | 0 | 168 |
| RQ02003-4805 | 2进2出 | G3/8" | 10~12mm | 0 | 48 | 216 |
| RQ02003-1210-3605 | 2进2出 | G3/8" | 10~12mm | 12 | 36 | 216 |
| RQ02003-4810 | 2进2出 | G3/8" | 10~12mm | 48 | 0 | 216 |
| RQ02003-6005 | 2进2出 | G3/8" | 10~12mm | 0 | 60 | 264 |
| RQ02003-1210-4805 | 2进2出 | G3/8" | 10~12mm | 12 | 48 | 264 |
| RQ02003-7205 | 2进2出 | G3/8" | 10~12mm | 0 | 72 | 312 |
| RQ02003-2410-4805 | 2进2出 | G3/8" | 10~12mm | 24 | 48 | 312 |
| RQ02003-8405 | 2进2出 | G3/8" | 10~12mm | 0 | 84 | 360 |
| RQ02003-2410-6005 | 2进2出 | G3/8" | 10~12mm | 20 | 60 | 360 |
| RQ02003-9605 | 2进2出 | G3/8" | 10~12mm | 0 | 96 | 408 |
| RQ02003-10805 | 2进2出 | G3/8" | 10~12mm | 0 | 108 | 456 |
| RQ02003-12005 | 2进2出 | G3/8" | 10~12mm | 0 | 120 | 504 |
上一个: 气液滑环 - RQ04001
下一个: 气液滑环 - RQ02001
精密滑环专业制造商
Precision slip ring
Copyright © 东莞市瑞泓德精密工业有限公司 All rights reserved 备案号:粤ICP备2024354392号-1
主要从事于通孔滑环、气电滑环、气液滑环、帽式滑环,滑环定制, 欢迎来电咨询!
服务支持:华商网络